摘要:本文讨论了动力锂电池管理系统的设计方案,以实现对锂电池动力电池组的过充电保护、过放电保护、过流保护和均衡充电等功能。
关键词:锂离子动力电池组;管理系统;过流;过放电;过充电;均衡控制
引言
锂离子电池的广泛应用已有十多年,但早期主要用于手机、笔记本电脑、摄像机、DVD等一系列小型移动式电子产品,这些场合往往都单串使用,负载电流较低,安全系数高。最近两年来,锂离子电池以其轻便、高能量密度、无污染等特点,已经开始在电动自行车、电动工具和动力玩具领域上得到快速应用,并逐步应用于混合动力车和电动车辆领域。但动力锂离子电池的安全性仍是人们目前最为关注的问题,所以对其的保护就非常重要。除了确保锂离子电池自身安全性的持续改进,必须同时研究电池的管理系统,使电池及其应用能均衡发展。锂离子电池的保护主要包括过充电保护、过放电保护、过电流及短路保护等。
1 保护电路的功能
1.1 过充电保护
对锂离子电池来说,其充电后单节电芯最高电压不得超过规定值,否则电池内的电解质会被分解,使得温度上升并产生气体,降低电芯的使用寿命,严重时甚至会引起爆炸,所以保护电路一定要保证绝对不可过度充电,必须对电池组中每一节电池的端电压进行监控,当电芯的电压超过设定值时,即激活过充电保护功能,由保护电路切断充电回路,中止充电。在电芯电压回归到允许的电压并解除过充锁定模式时,才能停止保护。不同材料的锂离子电池其保护电压和释放电压都有其不同的规定值。
另外,还必须注意因噪声所产生误动作,为了防止误判和误操作,还要设置过充保护延时,并且延迟时间不能短于噪声的持续时间。当电压持续超过过充检测电压一定时间以上才会触发过充保护。
1.2 过放电保护
锂离子电池的过度放电,也会缩短其使用寿命,而且对电池造成的损害往往是不可逆的。为了防止锂离子电池的过放电状态,当锂离子电池电压低于其过放电电压检测点时,即激活过放电保护,中止放电,并将电池保持在低静态电流的待机模式,参数设置类似过充保护。
1.3 过电流/短路保护
锂离子电池的最大放电电流有一定限制,过大的放电电流同样会引起锂电池的不可恢复的损坏,影响其使用寿命。
短路保护这个功能其实是过流保护的扩展,若由于外部短路等原因引起的大电流放电时要立刻停止放电,否则对锂电池本身和外部设备都可能会造成严重的损害。
过流保护的延时时间一般至少要几百微秒至毫秒,而短路保护的延时时间是微秒级的,几乎是短路的瞬间就切断了回路,可以避免短路对电池带来的巨大损伤。
就电动工具而言,保护电流值和延时时间的设置还必须和电动工具本身的参数结合起来,否则会影响工具的输出扭矩和电机的寿命。
1.4 电池均衡
动力锂离子电池一般都要几串、几十串甚至几百串以上,由于电池在生产过程中,从涂膜开始到成为成品要经过很多道工序,即使经过严格的检测程序,使每组电源的电压、电阻、容量一致,但使用一段时间以后,电池内阻、电压、容量等参数产生波动,形成不一致的状态,就会产生这样或那样的差异。这种差异体现为电池组充满或放完时串联电池芯之间的电压不相同。这种情况下导致电池组充电的过程中,电压过高的电池芯提早触发电池组过充电保护,而在放电过程中电压过低的电池芯导致电池组过放电保护,从而使电池组的整体容量明显下降,整个电池组体现出来的容量为电池组中性能最差的电池芯的容量,而且使用时很容易发生过充和过放现象,且不易发现,导致提前失效。因此要求保护电路能够完成电池单元的均衡操作,用以从具有较高电压的电池抽取多余的电流,消耗多余的电量,实现电池均衡,最大限度地发挥动力锂电池的效用,延长电池的使用寿命,增加安全性。目前常用的均衡方法有储能均衡和电阻均衡。
储能均衡是利用电池对电感或电容等储能元件的充放电,通过继电器或者开关器件实现储能元件在不均衡电池间的切换,达到电池间的能量转移。这种均衡充电方法一般控制网络复杂,安全性管理要求高,在使用中应注意掌握好储能元件的充放电时间,其最大的优点是充、放电(工作)使用中,都可平衡各单元电池的功能,且不消耗锂离子电池组的电能。
电阻均衡一般是通过控制器控制电阻网络的通断对电池组进行分流均衡,这种方法可以同时对多节电池进行均衡,控制简单。但是均衡过程中如果电阻选的过大,则均衡电流太小,效果甚微;如果电阻选的过小,则电阻功率很大,系统能量损耗大,均衡效率低,系统对热管理要求较高,需要进行温度检测控制。
电阻均衡的原理是在电池组充电的过程中,当某节电池充电速度较快,电压高于其他电池,系统通过控制开关控制均衡电阻的导通分流,降低电池的充电速度,以达到各节电池均衡充电的目的。
2 保护功能的实现
对于锂离子电池的保护方法主要有两种:单片机控制和集成电路保护芯片。
2.1 IC控制
目前可以实现锂离子电池保护功能的芯片很多,国外、台湾、大陆都有很多种芯片可以选择,目前日系理光和精工的方案采用的比较多,方案成熟,外围电路简单,但是价格比较贵。
各种保护IC实现的功能相差无几,其保护模式和外部线路也大同小异,在实际应用中可根据需要选择不同IC。选择IC的时候要多方考虑,不同型号的IC的过充电保护电压是不同的,有4.25V也有4.35V的,还有IC的自身功耗、外围电路是否够简单、保护IC的各参数精度是否符合要求,体积是否足够小,都要考虑周到。
保护板除了保护功能完善以外,低功耗也是重要的参数。为防止过度放电,保护IC必须检测电池电压,一旦达到过度放电检测电压以下,就必须关断功率MOSFET而截止放电。但此时电池本身仍有自然放电及保护IC的消耗电流存在,因此需要使保护IC消耗的电流降到最低程度,在保护状态时,其静态耗电流必须要小0.1uA。
另外动力锂离子电池包工作或充电时瞬间会有高压产生,因此保护IC应满足耐高压的要求。
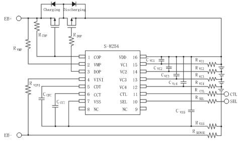
图1是以精工S-8254A为保护IC的4串应用原理图。S-8254 系列内置高精度电压检测电路和延迟电路,是用于3节或4节串联锂离子或者锂聚合物可充电电池保护的IC。通过SEL端子的切换,可用来保护3节或4节串联电池。

图1 S-8254A 4串保护原理图
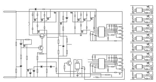
当然目前的电池保护芯片一般最多能保护4节锂离子电池,然而很多应用都需要5节以上的锂离子电池串联工作,比如电动工具、电动自行车和UPS,此时又如何解决呢?如图2所示,该电路可以实现20A/24V的输出功率,以精工S-8254AAV作为控制芯片的一个应用实例,它同时使用两个保护芯片串联在一起,保护8串锂离子电池组,过放保护电压为2.70V±0.080V,过充保护电压为4.250V±0.025V。

图2 8串动力锂离子电池保护电路
该电路均衡控制采用R5408芯片,电压测量精度比较高,均衡电流可达1A。
2.2 MCU控制
现有的一些集成电路保护芯片主要是针对4节电芯以下的电池组的保护,而对于4节以上的电池组可以采用多个单级保护芯片串联的方式或几个多级保护芯片串联的方式。但这种利用多个保护芯片串联的方式对4节电芯以上的电池组进行保护的电路可扩展性差。同时,集成保护芯片往往只针对一种或一类电池的特性,缺乏灵活性,成本往往也比较高。为此,结合锂离子动力电池的充放电特点,许多场合动力锂离子电池保护电路,采用以MCU(微处理器)为核心的设计方案。
以微处理器作为各种功能控制的核心,除了对锂离子电池组提供过充、过放、过流保护,有效地对锂离子电池组内各单节锂电的充、放电提供动态均衡、温度保护、短路保护外,同时可以提供如容量预测、通讯、身份识别等功能。
3 硬件抗干扰措施
动力锂离子电池管理系统作为一个应用系统的一部分,会经常受到各种电磁干扰,其实际的工作环境是比较恶劣,有必要在硬件设计和PCB板的布线上采取一定的抗干扰措施。
4 其他要求
因为电池主要是用来给主应用项目供电,因此要求BMS只有极低的功耗。
5 结束语
动力锂离子电池组的监控是一个较新的课题,其管理系统将会综合监测保护技术设计思想,具有对电池组进行静止、充电、放电、管理、自动维护等基本功能,达到实用、可靠的使用要求。
(编辑全球电池网)
评论表单加载中...
